Products & ReviewLife Sciences
LoVo
Cell Lines Service GmbH300266
Human Colon Adenocarcinoma cell line. Frozen cryovial. 1.5 Mio. cells/ml.

The supplier does not provide quotations for this product through SelectScience. You can search for similar products in our Product Directory.
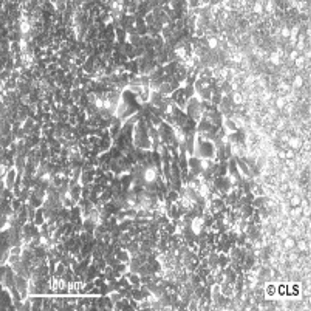
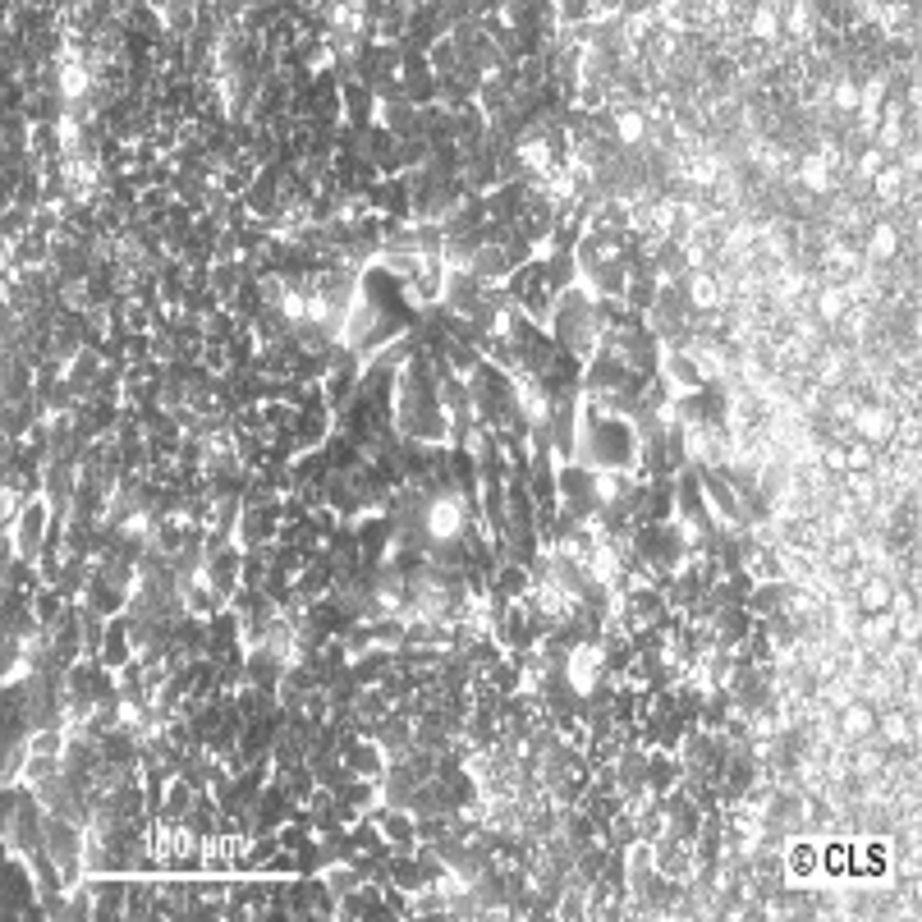
Human Colon Adenocarcinoma cell line LoVo
Organism: Homo sapiens (human)
Age/Stage: 56 years;
Gender: male
Tissue: Colon
Morphology: epithelial
Celltype: colorectal adenocarcinoma; grade IV; Dukes' type C
Growth Properties: monolayer, adherent
Description: The cells are negative for expression of CSAp (CSAp-) and colon antigen 3. Tumor specific nuclear matrix proteins CC-3 and CC-4 are expressed.

















